Plieuse Colleuse
Introduction:
Cette colleuse dossier de la série ZH (Encolleuse pour boîtes pliantes) peut être doeux fois pliables, ou 4 fois pliables avec le collage de fond. Il peut être changé par 180 degrés ou 90 degrés pour le premier pli dans la pièce par pliage, tandis que dans la deuxième partie et le quatrième pli, il peut être moulé dans 180 degrés. Nous pouvons augmenter la pré-pliage de 180 angree-135 ; la conception spéciale est également disponible
C'est une sorte de machine digitale, avec écran tactile, le contrôleur de PLC, le comptage photoélectrique, et le botteur automatique de la feuille.
Caractéristiques:
1. Renforcement du système de conduite d'un seul côté adapté au fonctionnement régulier et un entretien facile.
2. Un Contrôleur de conversion de fréquence est adopté pour le moteur conduisant à un chronométrage automatique et pour économiser d'énergie.
3. La machine peut travailler avec une alimentation continue, elle est exacte et automatique, adoption un visage tige de réglage à double dent pour le fonctionnement du moteur avec plusieurs ceintures épaisses pour la livraison.
4. Le matériel de broyage rend la colle plus stable, ferme et mieux collé.
5. La machine est équipée de ceintures Japonaises(BNAI)
6. Cette plieuse-colleuse ZH (Encolleuse pour boîtes pliantes) est adaptée pour la boîte de papier unilatérale.
7. La fonction 4-pliage est facile à ouvrir le document et il s'adapte à la gamme de produits d'emballage automatisé.
8. La partie d'appui adopte l'équipement souche universelle, ce qui rend la surface à boîtier moulé plus plate et réguliere, sans marque de retrait.
Pourquoi Choisir nous?
Type:
ZH-1600BFT, ZH-880BFT, ZH-880PFT
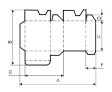
1. ZH-1600BFT Plieuse Colleuse (Encolleuse de boîtes pliantes)
 |
 |
 |
| Ligne droite (mm) |
Case en bas à plantage de verrouillage (mm) |
Double taille (mm) |
| A MAX |
1380 |
A MAX |
1300 |
A MAX |
1380 |
| A MIN |
160 |
A MIN |
260 |
B MAX |
1250 |
| B MAX |
850 |
B MAX |
1250 |
C MAX |
20 |
| B MIN |
200 |
C MIN |
150 |
|
|
| |
|
D MIN |
50 |
|
|
| |
|
E MIN |
125 |
|
|
| |
|
F MIN |
50 |
|
|
Spécification principale
| Vitesse maximale |
200 m/min |
| Puissance requise |
17.2kw |
| Dimensions (L × l × H) |
13×1.6×1.8m |
| Poids brut |
7 T |
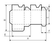
2. ZH-880BFT Plieuse Colleuse (Encolleuse de boîtes pliantes)
 |
 |
 |
| Ligne droite (mm) |
Carton du fond a plantage de verrouillage(mm) |
Double taille (mm) |
| A MAX |
580 |
A MAX |
580 |
A MAX |
580 |
| A MIN |
80 |
A MIN |
180 |
B MAX |
500 |
| B MAX |
580 |
B MAX |
580 |
C MAX |
20 |
| B MIN |
120 |
C MIN |
90 |
|
|
| |
|
D MIN |
30 |
|
|
| |
|
E MIN |
85 |
|
|
| |
|
F MIN |
30 |
|
|
Spécification principale
| Vitesse maximale |
180 m/min |
| Puissance requise |
6.7 kw |
| Dimensions (L × l × H) |
9×1.1×1.4 m |
| Poids brut |
3.5 T |
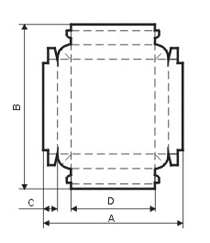
3. ZH-880PFPlieuse Colleuse (Encolleuse de boîtes pliantes)
Spécification principale
| longueur maximale du papier |
580 mm |
| longueur minimale du papier |
150/90 mm |
| Longeur maximale du produit fini |
285 mm |
| Longeur minimale du Produit fini |
70/40 mm |
| Le plus long |
600 mm |
| Le plus court |
100 mm |
| Puissance du Moteur |
3.2 kw |
| Dimension Contcur (L × l × H) |
7300X1060X1300 mm |
| Minutes |
0-180 m |
4. HZH Series Plieuse Colleuse (Encolleuse de boîtes pliantes)
Introduction
Cette plieuse-colleuse HZH (Encolleuse pour boîtes pliantes) est utilisée pour plier les boîtes et les coller après le découpage des matrices. Cette machine est utilisée dans la fabrication des boîtee en papier.
Cette machine peut aussi terminer l'ensemble du processus d'alimentation automatique, encollage latéral, pliage, la livraison, le pressage et le comptage. Les deux cartons droits (linéaire encadré) et le carton ondulé (2 et 4 de pliage de fond verrouillé boîte) dans 250 ~ 600g conviennent.
Caractéristique:
1. Il est équipé de trois séries de pré-dossier, qui peut pré-ligne de pliage du premier et au troisième.
2. Pour le dispositif d'alimentation, il est équipé d un vibrateur à rendre l'alimentation en douceur.
3. Il est importé A / C du convertisseur de fréquence qui rend la machine durable et commode.
3. Deux collages latéraux. Ressort supplémentaire dispositif de pressage pour mettre plus de pression lors du pliage.
4. Pendant ce temps, un senceur, codeur et un compteurs sont importés pour garantir la précision du comptage des boîtes.
5. Nous utilisons un contrôleur isochrone pour garder le réglage de la vitesse de la machine principale .
Spécification
| Modele |
HZH650 |
HZH850 |
HZH1050 |
HZH1380 |
HZH1450 |
| Type de feuille |
Carton 250~600g |
Carton 250~600g E type de carton ondule |
| Max de la vitesse Mechanicale |
240m/min |
200m/min |
200m/min |
200m/min |
200m/min |
| Type de colle |
A base d eau |
A base d eau |
A base d eau |
A base d eau |
A base d eau |
| Puissance Standard |
3Phs 380V 50Hz |
3Phs 380V 50Hz |
3Phs 380V 50Hz |
3Phs 380V 50Hz |
3Phs 380V 50Hz |
| La puissance du moteur principal |
7.5Kw |
7.5Kw |
11Kw |
11Kw |
11Kw |
| Puissance Totale |
9.36Kw |
10.6Kw |
14.1Kw |
14.1Kw |
14.1Kw |
| Dimensions Totales |
11×1.3×1.7m |
11×1.3×1.7m |
14×1.3×1.9m |
14×1.3×1.9m |
14×1.3×2.1m |
Fondé en 2009, Shanghai Pripack Machinery Co., Ltd s'est continuellement concentré à fournir de nombreux équipement de traitement du papier, de l'impression et de l'emballage pour des clients partout dans le monde. Disposant d'employés expérimentés issus de nombreux fabricants leader en Chine, ces derniers sont familiarisés avec le traitement du papier à l'échelle internationale ainsi que du développement et des tendances de l'impression et de l'emballage. En tant que fournisseur professionnel, Pripack est reconnu pour la grande attention portée au contrôle qualité et à un service client personnalisé. De par leur haut niveau d'assurance, nos produits sont populaires dans les marchés tels que l'Ukraine, la Fédération Russe, le Chili, le Brésil, l'Argentine, le Mexique, le Malawi, le Pakistan, l'Afrique du Sud, pour n'en citer que quelques uns. Nos produits sont certifiés CE afin de fournir la meilleure qualité au meilleur prix à nos clients.
Produits Rattachés

- Lamineur Automatique pour Carton YHZB-1100ACe lamineur automatique pour carton YHZB-1100A de carton hydraulique pneumatique est une sorte de ligne de lamination du papier utilisée pour la stratification des boîte à vin, boîte de chaussures. Le produit fini est non seulement précis dans la stratification, mais aussi très ferme et plat.
Cette machine a des avantages de la production automatique car le rendement est élevé .
...

- Machine de RevetementCette machine de revetement JGA-104 a haute vitesse est principalement utilisée pour le revêtement de tous les types de carton épais et mince . Elle peut également être utilisée comme une machine de vitrage locale. Les fils électriques efficacité et automatique. Le système UV utilisé pour sécher les matières imprimées de cette machine est importé, Il est tres économique en énergie et un réglage disponible pour enregistrer des ...